Группа компаний НПК «Завод модульного энергооборудования» предлагает купить паровой трёхходовой газотрубный котёл ARCUS IGNIS P-3000 паропроизводительностью 3000 кг/ч и рабочим давлением 1,2 МПа с доставкой по всей России. Вы сможете подобрать то, что подходит именно вам, есть в наличии на складе в Череповеце и Вологодской области!
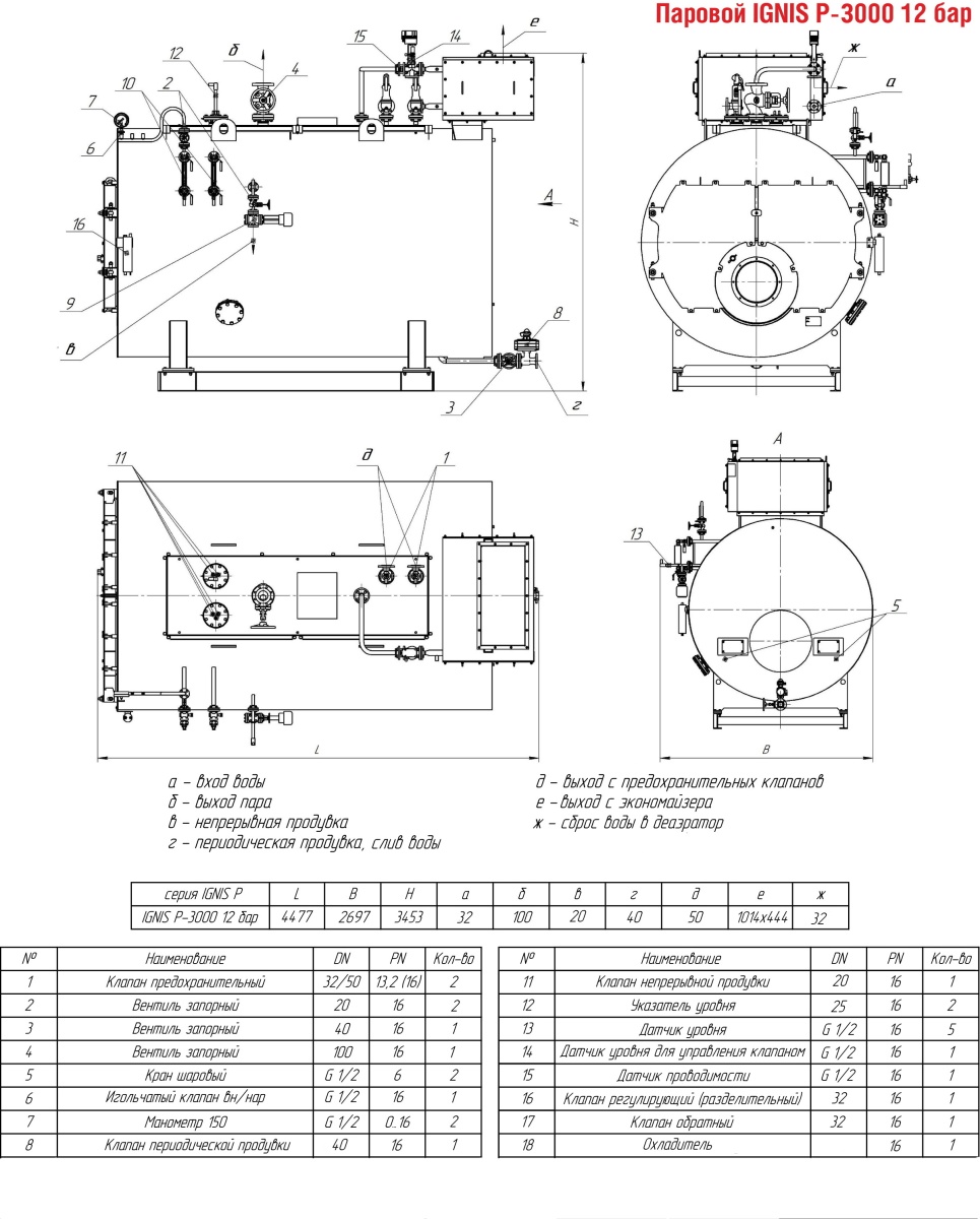
Технические характеристики парового трёхходового котла ARCUS IGNIS P-3000
Краткое описание парового котла ARCUS IGNIS P-3000
Котлы ARCUS IGNIS P-3000 - отопительные водогрейные стальные трёхходовые жаротрубные котлы, в легкой натрубной обмуровке по наружным ограждающим поверхностям. Используется для производства насыщенного водяного пара с температурой до 193°С и давлением до 1,2 МПа. Котлы устанавливаются как в стационарные, так и в блочно-модульные котельные.
Котел работает на следующем топливе:
- газообразное топливо - природный газ ГОСТ 5542 - основное;
- легкое жидкое топливо - дизельное топливо ГОСТ 305 - резервное.
Преимущества парового двухходового газотрубного котла ARCUS IGNIS P-3000
- Большой объем котловой воды и пара дает возможность быстрого перехода в рабочий режим.
- Завихрители изготовлены из нержавеющей стали, что повышает КПД - 92,5%.
- Устройство смотровых люков сверху и на торце - позволяет удобно проводить осмотр, чистку а так же ремонт поверхностей
- Верхняя площадка для обслуживания в базовой комплектации котла от 1 т/ч.
- При наличии отдельно стоящего экономайзера (дополнительная комплектация) возможно увеличение КПД на 3 - 4% и экономит до 5% топлива.
Комплектация
- Котел в легкой обмуровке;
- Эксплуатационная документация на котел (паспорт, руководство по эксплуатации)
Дополнительная комплектация по желанию заказчика:
- Автоматическая горелка или горелочное устройство с КИПиА и запорная арматура на соответствующем топливе согласно заявке заказчика;
- Фурма под горелку;
- Экономайзер с обвязкой;
- Запорная арматура и регулирующая арматура по воде и пару в пределах котла;
- Насосный модуль;
- Электрооборудование и КИП парового котла.
